| អង្កត់ផ្ចិតនាមករណ៍ | DN25-DN400 |
| សម្ពាធនាមករណ៍ | 1.0Mpa/1.6Mpa/2.5Mpa/4.0Mpa |
| សមាមាត្រជួរ | អតិបរមា 40:1 (ក្រោម P=101.325Kpa, T=293.15K) |
| ភាពត្រឹមត្រូវ | 1.5% (ស្តង់ដារ), 1.0 (ស្រេចចិត្ត) |
| ភាពអាចធ្វើម្តងទៀត | ប្រសើរជាង 0.2% |
| ភស្តុតាងផ្ទុះ | ExiallCT6Ga |
| ការការពារ | IP65 |
| សម្ភារៈសែល | អាលុយមីញ៉ូ alloy/ដែកកាបូន/ដែកអ៊ីណុក |
| ការផ្គត់ផ្គង់ថាមពល | ថាមពលថ្ម Lithum 3.6V ថាមពលខាងក្រៅ DC18-30V |
| សញ្ញាទិន្នផល | 4-20mA, ជីពចរ, ការជូនដំណឹង |
| ការទំនាក់ទំនង | RS485 Modbus RTU |
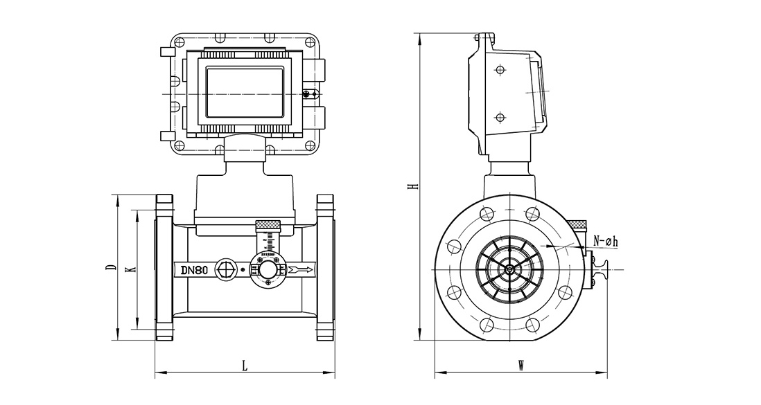
| ទំហំ | អិល | ឃ | ខេ | N-φh | ហ | វ | សុន្ទរកថា |
| DN25(1") | 200 | 115 | 85 | ៤-φ១៤ | 335 | 200 | 1.ព័ត៌មាន Flange យោងតាម PN16 GB9113.1-2000 2.Flanges ផ្សេងទៀតអាចរកបាន |
| DN40 (1½") | 200 | 150 | 110 | ៤-φ១៨ | 365 | 230 | |
| DN50 (2 អ៊ីញ) | 150 | 165 | 125 | ៤-φ១៨ | 375 | 275 | |
| DN80 (3 អ៊ីញ) | 240 | 200 | 160 | ៨-φ១៨ | 409 | 280 | |
| DN100 (4 អ៊ីញ) | 300 | 220 | 180 | ៨-φ១៨ | 430 | 285 | |
| DN150 (6 អ៊ីញ) | 450 | 285 | 240 | ៨-φ២២ | 495 | 370 | |
| DN200 (8 អ៊ីញ) | 600 | 340 | 295 | ១២-φ២២ | 559 | 390 | |
| DN250 (10 អ៊ីញ) | 750 | 405 | 355 | ១២-φ២៦ | 629 | 480 | |
| DN300 (12 អ៊ីញ) | 900 | 460 | 410 | ១២-φ២៦ | 680 | 535 | |
| DN400 (16 អ៊ីញ) | 1200 | 580 | 525 | ១៦-φ៣០ | 793 | 665 |
| DN (មម/អ៊ីញ) |
គំរូ | ការបញ្ជាក់លំហូរ | ជួរលំហូរ (m3/h) | Qmin (m3/h) | ការបាត់បង់សម្ពាធអតិបរមា (Kpa) | សម្ភារៈសែល | ទំងន់(គីឡូក្រាម) |
| DN25 (1 អ៊ីញ) | QTWG-25(A) | G50 | 5-50 | ≤1 | 1 | ≤1.6MPa អាលុយមីញ៉ូម Alloy ≥2.0MPa ដែកថែបកាបូនឬ SS304 |
7 |
| DN40 (1½អ៊ីញ) | QTWG-40(A) | G60 | 6-60 | ≤1 | 1 | 8 | |
| 50(2") | QTWG-50(A) | G40 | 6.5-65 | ≤1.3 | 0.9 | 8.5 | |
| QTWG-50(B) | G65 | 8-100 | ≤1.6 | 0.8 | |||
| QTWG-50(C) | G100 | 10-160 | ≤2.4 | 2.0 | |||
| 80(3") | QTWG-80(A) | G100 | 8-160 | ≤2.4 | 1.0 | 9.5 | |
| QTWG-80(B) | G160 | 13-250 | ≤3.0 | 1.6 | |||
| QTWG-80(C) | G250 | 20-400 | ≤5.0 | 2.0 | |||
| 100 (4 អ៊ីញ) | QTWG-100(A) | G160 | 13-250 | ≤3.3 | 1.0 | 15 | |
| QTWG-100(B) | G250 | 20-400 | ≤4.2 | 1.6 | |||
| QTWG-100(C) | G400 | 32-650 | ≤6.7 | 1.8 | |||
| 150 (6 អ៊ីញ) | QTWG-150(A) | G400 | 32-650 | ≤7.8 | 1.6 | 27 | |
| QTWG-150(B) | G650 | 50-1000 | ≤10 | 2.0 | |||
| QTWG-150(C) | G1000 | 80-1600 | ≤12 | 2.3 | |||
| ២០០ (៨ អ៊ីញ) | QTWG-200(A) | G650 | 50-1000 | ≤13 | 1.6 | ដែកថែបកាបូនឬ SS304 | 45 |
| QTWG-200(B) | G1000 | 80-1600 | ≤16 | 2.0 | |||
| QTWG-200(C) | G1600 | 130-2500 | ≤20 | 2.2 | |||
| 250 (10 ") | QTWG-250(A) | G1000 | 80-1600 | ≤20 | 1.2 | 128 | |
| QTWG-250(B) | G1600 | 130-2500 | ≤22 | 2.0 | |||
| QTWG-250(C) | G2500 | 200-4000 | ≤25 | 2.3 | |||
| ៣០០ (១២ អ៊ីញ) | QTWG-300(A) | G1600 | 130-2500 | ≤22 | 1.6 | 265 | |
| QTWG-300(B) | G2500 | 200-4000 | ≤25 | 2.0 | |||
| QTWG-300(C) | G4000 | 320-6500 | ≤35 | 2.3 | |||
| ៤០០ (១៦ អ៊ីញ) | QTWG-400(A) | G1600 | 300-2500 | ≤25 | 1.8 | 380 | |
| QTWG-400(B) | G2500 | 500-4000 | ≤35 | 2.0 | |||
| QTWG-400(C) | G4000 | 600-8000 | ≤40 | 2.3 |
| QTWG | ប៉ារ៉ាម៉ែត្រ | XXX | X | X | X | X | X | X | X |
| ទំហំ (មម) | DN25-DN400mm | ||||||||
| ភាពត្រឹមត្រូវ | 1.5% (ស្តង់ដារ) | 1 | |||||||
| 1.0% | 2 | ||||||||
| ឈ្មោះ | 1.0MPa | 1 | |||||||
| សម្ពាធ | 1.6MPa | 2 | |||||||
| 2.5 MPa | 3 | ||||||||
| 4.0 MPa | 4 | ||||||||
| ផ្សេងៗ | 5 | ||||||||
| សម្ភារៈរាងកាយ | អាលុយមីញ៉ូម Alloy (សម្រាប់ទំហំខាងក្រោម DN150mm) | 1 | |||||||
| ដែកថែបកាបោន | 2 | ||||||||
| ដែកអ៊ីណុក | 3 | ||||||||
| លទ្ធផល/ទំនាក់ទំនង | ជីពចរ + 4-20mA | 1 | |||||||
| ជីពចរ + 4 ~ 20mA + 485 | 3 | ||||||||
| ជីពចរ + 4 ~ 20mA + HART | 4 | ||||||||
| ការផ្គត់ផ្គង់ថាមពល | ថាមពលថ្ម + ថាមពលខាងក្រៅ DC24V (ខ្សែពីរ) | 1 | |||||||
| ថាមពលថ្ម + ថាមពលខាងក្រៅ DC24V (ខ្សែបី) | 2 | ||||||||
| អតីតភស្តុតាង | ជាមួយ | 1 | |||||||
| ដោយគ្មាន | 2 | ||||||||
