Produkter
Termisk massestrømmåler
Termisk massestrømmåler
Termisk massestrømmåler
Termisk massestrømmåler

Termisk massestrømmåler

Målemedium: Ulike gasser (unntatt acetylen)
Rørstørrelse: (Sett inn tilkobling) DN50-DN2000mm ,In-line tilkobling (DN10-DN2000mm)
Hastighet: 0,1-100Nm/s
Nøyaktighet: +/-1~2.5%
Arbeidstemperatur: Sensor:-40~+220 degC Sender:-20~+45 degC
Introduksjon
applikasjon
Tekniske data
Installasjon
Introduksjon
Flens termisk gass massestrømningsmåler er en av typen massestrømsmåler som
Er populær i industrielle applikasjoner er måten de er designet og bygget på. Funksjonen er at ingen bevegelige deler, nesten uhindret rett gjennom strømningsbanen, krever ingen temperatur- eller trykkkorreksjoner og beholder nøyaktigheten over et bredt spekter av strømningshastigheter. Rette rørstrekninger kan reduseres ved å bruke dual-plate flow conditioning-elementer, og installasjonen er veldig enkel med minimale rørinntrengninger.
Flens termisk gass massestrømningsmåler størrelse fra DN10~DN2000mm
Fordeler
Fordeler med flens termisk gass massestrømsmåler:
(1) Bredt områdeforhold 1000:1;
(2) Stor diameter, lav strømningshastighet, ubetydelig trykktap;
(3) Direkte massestrømsmåling uten temperatur- og trykkkompensasjon;
(4) Veldig følsom for lav strømningshastighetsmåling;
(5) Enkel å designe og velge, enkel å installere og bruke;
(6) Egnet for alle typer enkelt- eller blandet gassstrømmåling. Kan måle gass med strømningshastighet fra 100Nm/s til 0,1Nm/s, som kan brukes til gasslekkasjedeteksjon;
(7) Sensoren har ingen bevegelige deler og trykkfølende deler, og påvirkes ikke av vibrasjoner på målenøyaktigheten. Den har god seismisk ytelse og høy målepålitelighet;
(8) Ingen trykktap eller svært lite trykktap.
(9) Ved måling av gassstrømmen uttrykkes den ofte i volumstrømsenheten under standardtilstand, og middeltemperatur/trykkendring påvirker knapt den målte verdien. Hvis tettheten er konstant i standardtilstanden (det vil si at sammensetningen er uendret), ligner den på en massestrømmåler;
(10) Støtt flere kommunikasjonsmetoder, for eksempel RS485-kommunikasjon, MODBUS-protokoll, etc., som kan realisere fabrikkautomatisering og integrasjon
applikasjon
Anvendelse av termisk gassmassestrømmåler med flens:
Termisk gass luftstrømmåler er mye brukt for elektrisk kraft, petrokjemisk industri, glass, keramikk og byggematerialindustri, og brukes hovedsakelig til å måle tørr gass, for eksempel luft, naturgass, LPG-gass, biogass, ect. Men termisk gassmassestrøm kunne ikke brukes til å måle damp, fuktighetsgass og etyn.
Elektrisk energi
Elektrisk energi
Petrokjemisk
Petrokjemisk
Glass
Glass
Keramikk
Keramikk
Byggematerialer
Byggematerialer
Meausre tørr gass
Meausre tørr gass
Tekniske data

Tabell 1: Termisk gassmassestrømmåler med flens

Målemedium Ulike gasser (unntatt acetylen)
Rørstørrelse (Sett inn tilkobling) DN50-DN2000mm ,In-line tilkobling (DN10-DN2000mm)
Hastighet 0,1-100Nm/s
Nøyaktighet +/-1~2,5 %
Arbeidstemperatur Sensor: -40~+220 grader C Sender: -20~+45 grader
Arbeids press

Innsettingssensor: middels trykk ≤1,6Mpa

Flenssensor: middels trykk ≤4.0Mpa

Spesielt trykk dobbeltsjekk

Strømforsyning

Kompakt type: 24VDC eller 220VAC, Strømforbruk ≤18W

Fjernkontrolltype: 220VAC, Strømforbruk ≤19W

Responstid 1s
Produksjon 4-20mA (optoelektronisk isolasjon, maksimal belastning 500Ω), Pulse RS485 (optoelektronisk isolasjon) og HART
Alarmutgang 1-2 linjers relé, normalt åpen tilstand, 10A/220V/AC eller 5A/30V/DC
Sensortype Standardinnsetting, hottappet innsetting og flens
Konstruksjon Kompakt og ekstern
Rørmateriale Karbonstål, rustfritt stål, plast etc.
Vise 4 linjers LCD-massestrøm, volumstrøm i standardtilstand, strømningsteller, dato og   klokkeslett, arbeidstid og hastighet osv.
Beskyttelse

IP65

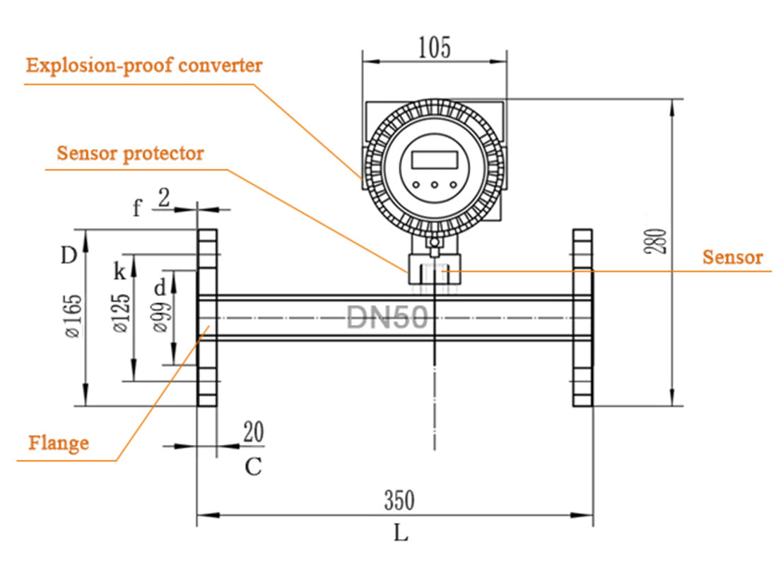
Tabell 2: Dimensjonering av termisk gassmassestrømmåler med flens

Nominell diameter Ytre flensdiameter Senterhull Bolthull Skrue gjenger Forseglingsflate Flenstykkelse Installasjonslengde
DN D k n x L d f C L
15 95 65 4x14 M12 46 2 14 280
20 105 75 4x14 M12 56 2 16 280
25 115 85 4x14 M12 65 2 16 280
32 140 100 4x18 M16 76 2 18 350
40 150 110 4x18 M16 84 2 18 350
50 165 125 4x18 M16 99 2 20 350
65 185 145 4x18 M16 118 2 20 400
80 200 160 8x18 M16 132 2 20 400
100 220 180 8x18 M16 156 2 22 500

Tabell 3: Vanlig bruk gass maksimal rekkevidde

Kaliber

( mm )

Luft

Nitrogen (N2 )

Oksygen (O2 )

Hydrogen (H2 )

15 65 65 32 10
25 175 175 89 28
32 290 290 144 45
40 450 450 226 70
50 700 700 352 110
65 1200 1200 600 185
80 1800 1800 900 280
100 2800 2800 1420 470
125 4400 4400 2210 700
150 6300 6300 3200 940
200 10000 10000 5650 1880
250 17000 17000 8830 2820
300 25000 25000 12720 4060
350 45000 45000 22608 5600
400 70000 70000 35325 7200
450 100000 100000 50638 9200
500 135000 135000 69240 11280
600 180000 180000 90432 16300
700 220000 220000 114500 22100
800 280000 280000 141300 29000
900 400000 400000 203480 36500
1000 600000 600000 318000 45000
2000 700000 700000 565200 18500

Tabell 4: Valg av modell for termisk gassmassestrømmåler med flens

Modell QTMF X X X X X X X
Kaliber DN15-DN4000
Struktur Kompakt C
Fjernkontroll R
Senor type Innsetting Jeg
Flens F
Klemme C
Skru S
Materiale SS304 304
SS316 316
Press 1,6 MPa 1.6
2,5 MPa 2.5
4,0 MPa 4.0
Temperatur -40-200 ℃ T1
-40-450 ℃ T2
Strømforsyning AC85~250V AC
DC24~36V DC
Signalutgang 4-20mA+Pulse+RS485 RS
4-20mA+Puls+HART HT
Installasjon
Installasjon av termisk gassmassestrømsmåler med flens:
① Følg de anbefalte kravene til innløp og utløp.
② God ingeniørpraksis er nødvendig for tilhørende rørarbeid og installasjon.
③ Sørg for riktig justering og orientering av sensoren.
④ Ta tiltak for å redusere eller unngå kondens (f.eks. installer en kondensfelle, varmeisolasjon osv.).
⑤ De maksimalt tillatte omgivelsestemperaturene og middeltemperaturområdet må overholdes.
⑥ Installer senderen på et skyggefullt sted eller bruk en beskyttende solskjerm.
⑦ Av mekaniske årsaker, og for å beskytte røret, er det tilrådelig å støtte tunge sensorer.
⑧ Ingen installasjon der det er store vibrasjoner
⑨ Ingen eksponering i miljøet som inneholder mye etsende gass
⑩ Ingen deling av strømforsyning med frekvensomformer, elektrisk sveisemaskin og andre maskiner som kan forårsake forstyrrelser i strømledningen.

Daglig vedlikehold for termisk gassmassestrømmåler med flens:
I den daglige driften av den termiske gassmassestrømningsmåleren, kontroller og rengjør strømningsmåleren, stram de løse delene, finn og håndter unormaliteten til strømningsmåleren i drift i tide, sørg for normal drift av strømningsmåleren, reduser og forsink slitasjen på komponenter, Forleng levetiden til strømningsmåleren. Noen strømningsmålere vil bli begroing etter bruk i en periode, og det må rengjøres ved beising etc. avhengig av graden av begroing
Send din forespørsel
Eksportert til mer enn 150 land over hele verden, 10000 sett/måned produksjonskapasitet!
opphavsrett © Q&T Instrument Co., Ltd. Alle rettigheter forbeholdt.
Brukerstøtte: Coverweb