Products
Position :
Gas Calibration Device
Gas Calibration Device
Gas Calibration Device
Gas Calibration Device

Gas Calibration Device

Size: DN15-DN300
Max Flow(m 3): 1000,3000,4000,5000
Uncertainty: ≤0.33%
Collect Signal: Pulse, 4~20 mA
Introduction
Cases
Technical Data
Configuration
Introduction
QGCS Series: high-accuracy critical venturi sonic nozzle gas calibration device compliant with ISO 9300:2005 and GB/T 21188-2007, using Critical Flow Venturi Nozzles (CFVN). Equipped with standard-compliant temperature/pressure interfaces, it calibrates/verifies gas turbine, vortex, roots, and industrial diaphragm flowmeters. Ideal for instrument manufacturers (high-volume calibration) and metrological institutions (precision requirements).
Advantages
  1. Multiple power source combinations, high efficiency and energy saving, reduced noise.
  2. Skid-mounted installation, simple and convenient, high level of device uncertainty.
  3. Automatic clamp, linear guide rail, positioning light rod.
  4. One-button operation, high degree of automation.
  5. Simple and durable nozzle structure.
  6. Modular structure, good repeatability, high reliability
Cases
DN15-DN200, 4000 m3
DN15-DN200, 4000 m3
DN15-DN300, 5000 m3
DN15-DN300, 5000 m3
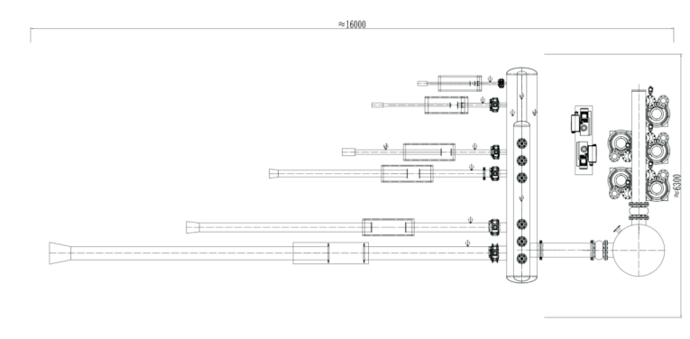
DN15-DN400, 16000 m3
DN15-DN400, 16000 m3
DN15-DN100, 1000 m3
DN15-DN100, 1000 m3
DN15-DN200, 3000 m3
DN15-DN200, 3000 m3
DN15-DN400, 16000 m3
DN15-DN400, 16000 m3
Technical Data

Working Principle

The Critical Flow Venturi Nozzle achieves high-precision gas flow measurement using the "choked flow" principle. As gas accelerates through the converging throat, velocity increases with pressure differential. When the downstream-to-upstream pressure ratio falls below the critical value (typically 0.528), the throat velocity reaches sonic speed, creating "critical flow." At this point,   further downstream pressure reduction no longer increases flow rate, which depends solely on upstream stagnation pressure and temperature. This characteristic isolates measurement from downstream disturbances, achieving accuracy up to ±0.2%


Technical Parameters

Model QGCS-Q1000 QGCS-Q3000 QGCS-Q4000 QGCS-Q5000
Size DN15-DN100 DN15-DN150 DN15-DN200 DN15-DN300
Max Flow(m3) 1000 3000 4000 5000
Area(LxWxH) m 10 x 4 x 3.5 12 x 6 x3.5 16 x 6 x 3.5 18 x 8 x 3.5
Consumption(KW) ≤32 ≤80 ≤107 ≤132
Uncertainty ≤0 . 33%

Accuracy
Absolute pressure transmitter: 0.075% ~ 0. 1%
Temperature sensor: 0.2%
Humidity sensor: 2%
Critical flow nozzle: 0.2%
Collect Signal Pulse, 4~20 mA
Wetted Parts SS304
Flow Min standard:  0.016 m3/h,  normal standard: Qm=2n
Working Environment Atmospheric pressure:  86 ~ 104KPa Relative humidity: 40% ~90%RH
Design Standard lSO 9300:2005, GB/T 21188-2007



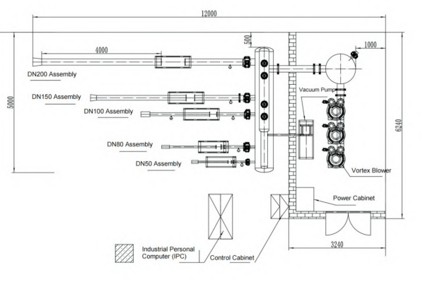
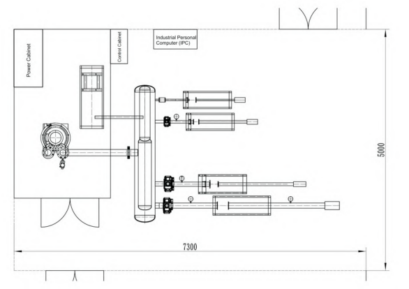
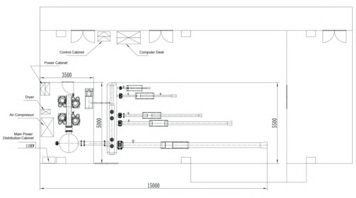
Drawing   (Design according to clients' requirements)
QGCS-Q1000
QGCS-Q3000
QGCS-Q4000 QGCS-Q5000
Configuration
I. Workstation Unit
QGCS-Q1000 DN50/DN100
QGCS-Q3000 DN25/DN50/DN80/DN100/DN150
QGCS-Q4000 DN50/DN80/DN100/DN150/DN200
QGCS-Q5000 DN50/DN100/DN150/DN200/DN300
 
2. Standard Vessel Unit
It consists of a stagnation vessel, a large-area vacuum vessel, a small-area vacuum vessel, standard flow meters (Critical Flow Venturi Nozzles), vacuum valves, connecting pipelines, and structural component
Pressure Measurement: The pressure data upstream and downstream of the Critical Flow Venturi Nozzles are respectively collected from the stagnation vessel and the large/small vacuum vessels.
Modular Design: The entire standard device module features a skid-mounted design, which facilitates easy installation and future expansion.
Installation Method: The Critical Flow Venturi Nozzles are installed on the stagnation vessel using the upstream large-space method (or "stagnation chamber" method)
 
3. Power Unit
1. Basic Composition: It consists of a fan power unit, a vacuum pump power unit, a flow-stabilizing tank, valves, connecting pipelines, and structural components.
2. The power source module adopts a stepped-stage design, which offers significant energy-saving effects and contributes to cost reduction and efficiency improvement.


Software
1. Self-diagnostic function 2. Customizable calibration data format
3. Adaptive power system 5. Selectable data forms / Optional data templates
6. On-site verification of nozzle coefficient / Field calibration of nozzle coefficient 4. Arbitrary matching of flow points / Flexible flow point matching

 
Send Your Inquiry
Exported to more than 150 countries around the globe, 10000 sets/month production capacity!
Copyright © Q&T Instrument Co., Ltd. All Rights Reserved.
Support: Coverweb