| Size | DN3-DN3000 (1/8"-120" ) | ||
| Accuracy | ±0.5% of reading at flow velocity ≥ 0.5m/s | ||
| Velocity | 0.1~15 m/s | ||
| Repeatability | ≤0.17% | ||
| Excitation current | 125 mA, 187 mA, 250 mA | ||
| Excitation Frequency | 25 Hz/30 Hz | ||
| Structure | Compact / remote, cable length 10m standard, 100m max | ||
| Conductivity | > 5 μS/cm, demineralized water > 20 µS/cm | ||
| Protection Grade | Transmitter: IP65 standard, IP67 optional | ||
| Sensor: IP65 standard, IP68 (submersible, only available for remote type) | |||
| Electrode | SS316L, Hastelloy C, Hastelloy B, Titanium,Tantalum, Platinum-iridium | ||
| Power Supply | 85~250 VAC (50/60 Hz), 20~36 VDC | ||
| Power Consumption | <20W | ||
Signal Output |
Analog | 4~20mA ( load resistor 0~750Ω) | |
| Frequency | Forward & reverse flow output with a frequency range of 1~5000Hz | ||
| Alarm | Two isolated open collector transistor (OCT) outputs for alarm signals | ||
| Communication | RS485 MODBUS standard, HART, GPRS, PROFIBUS optional | ||
| Display | LCD Display,128X128mm,three lines, 4 buttons | ||
| Ambient Temperature | -20℃~60℃ | ||
| Fluid Temperature | Compact: -20℃~80℃, Remote: -20℃~120℃ | ||
Liner Material |
PTFE (-20℃~150℃, DN15-DN1600) | ||
| FEP (-20℃~120℃, DN15-DN1800) | |||
| PFA (-20℃~160℃, DN15-DN800) | |||
| Polyurethane (-10℃~60℃, DN40-DN1600) | |||
| Neoprene (-10℃~80℃, DN40-DN3000) | |||
| Hard Rubber (-10℃~80℃, DN 40-DN3000) | |||
| Ceramic (-20℃~180℃, DN15-DN200) | |||
| Sensor Material | Measuring tube: SS304 | ||
| Flange & housing: carbon steel (standard), SS304 / SS316 optional | |||
| Transmitter Material | Aluminium alloy with epoxy painting | ||
Nominal Pressure |
Flange |
DIN PN10 / PN16 / PN25 / Pn40 JIS 10K / 20K / 30 K ANSI 150# / 300# / 600# |
|
| Insertion, tri-clamp wafer, thread | PN16 | ||
| Display | Instantaneous flow, total flow, flow velocity | ||
| Function | High and low alarm, empty pipe alarm, exciting alarm,self-diagnosis | ||
| Totalizer | Three built-in totalizers: forward flow, reverse flow and net flow | ||
| Display Unit | L/s, L/m, L/h, m3/s, m3/m, m3/h, UKG, USG, gal/s, gal/m, gal/h, kg/s, kg/m, kg/h, t/s, t/m, t/h | ||
| Language | English, Chinese | ||
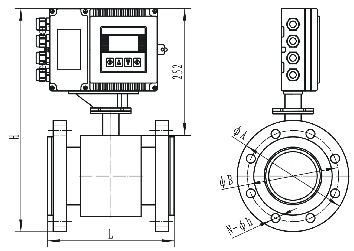
.png)
| Diameter | Flange | Pressure | H(mm) | L(mm) | φA(mm) | φB(mm) | φh(mm) | N(mm) | |
| mm | Inch | ||||||||
| DN15 | 1/2" | ANSI | 150# | 343 | 200 | 88.9 | 60.45 | 4 | 15.7 |
| DN20 | 3/4" | ANSI | 150# | 348 | 200 | 98.6 | 69.85 | 4 | 15.7 |
| DN25 | 1" | ANSI | 150# | 353 | 200 | 108 | 79.25 | 4 | 15.7 |
| DN32 | 1¼" | ANSI | 150# | 358 | 200 | 117.3 | 88.9 | 4 | 15.7 |
| DN40 | 1½" | ANSI | 150# | 368 | 200 | 127 | 98.6 | 4 | 15.7 |
| DN50 | 2" | ANSI | 150# | 388 | 200 | 152.4 | 120.7 | 4 | 19.1 |
| DN65 | 2½" | ANSI | 150# | 408 | 200 | 177.8 | 139.7 | 4 | 19.1 |
| DN80 | 3" | ANSI | 150# | 423 | 200 | 190.5 | 152.4 | 4 | 19.1 |
| DN100 | 4" | ANSI | 150# | 451 | 250 | 228.6 | 190.5 | 8 | 19.1 |
| DN125 | 5" | ANSI | 150# | 474 | 250 | 254 | 215.9 | 8 | 22.4 |
| DN150 | 6" | ANSI | 150# | 502 | 300 | 279.4 | 241.3 | 8 | 22.4 |
| DN200 | 8" | ANSI | 150# | 563 | 350 | 342.9 | 298.5 | 8 | 22.4 |
| DN250 | 10" | ANSI | 150# | 638 | 450 | 406.4 | 362 | 12 | 25.4 |
| DN300 | 12" | ANSI | 150# | 701 | 500 | 482.6 | 431.8 | 12 | 25.4 |
| DN350 | 14" | ANSI | 150# | 753 | 550 | 533.4 | 476.3 | 12 | 28.4 |
| DN400 | 16" | ANSI | 150# | 809 | 600 | 596.9 | 539.8 | 16 | 28.4 |
| DN450 | 18" | ANSI | 150# | 855 | 600 | 635 | 577.9 | 16 | 31.75 |
| DN500 | 20" | ANSI | 150# | 912 | 600 | 698.5 | 635 | 20 | 31.75 |
| DN600 | 24" | ANSI | 150# | 1024 | 600 | 812.8 | 749.3 | 20 | 35.1 |